電 話:135-8498-4787
QQ:319603185
郵箱: cs@key-way.com
地址:蘇州市干將東路178號蘇州自主創新廣場3號樓301室
關于組織開展2022年(*29批)國家企業技術中心認定工作通知【智為銘略轉發】
各省、自治區、直轄市及計劃單列市、新疆生產建設兵團發展改革委(國家企業技術中心管理部門):
為提升企業技術創新能力、強化企業創新主體地位,根據《國家企業技術中心認定管理辦法》(2016年*34號令,以下簡稱《管理辦法》)和《國家企業技術中心認定評價工作指南(試行)》(發改辦高技〔2016〕937號,以下簡稱《工作指南》),現將2022年國家企業技術中心認定工作有關事項通知如下。
一、2022年認定工作
(一)請各地發展改革委會同科技、財政、海關、稅務等部門(或省級政府規定的國家企業技術中心申報、管理部門會同同級發展改革、科技、財政、海關、稅務等部門),參照《管理辦法》,做好2022年國家企業技術中心推薦工作:
1.按照《工作指南》要求,組織申請企業編寫國家企業技術中心申請材料,并對其真實性進行審核;
2.依據《戰略性新興產業重點產品和服務指導目錄》(國家發展改革委公告2017年*1號)、國家“十四五”規劃《綱要》以及相關“十四五”***專項規劃明確的戰略性新興產業和未來產業范圍,對申請企業主營業務是否符合認定領域進行審核(原則上企業技術中心研發的主要產品和服務應屬指導目錄和相關規劃范圍)。在符合上述要求前提下,對同時符合《**產業指導目錄》(發改環資〔2019〕293號)的企業優先予以考慮;
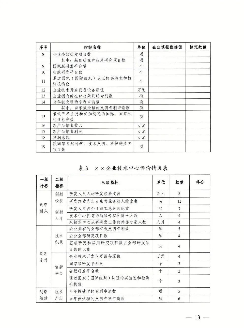
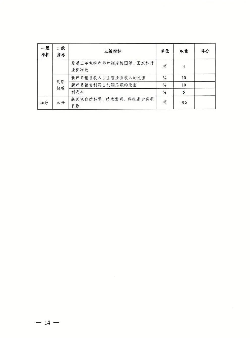
3.按照國家企業技術中心評價方法(附件1),對申請企業技術中心進行初評;
4.采取公平公正公開的適當形式,擇優推薦符合領域要求、基本條件符合《管理辦法》規定、初評得分高于70分(含70分)的企業技術中心。
(二)建立存量評價與增量認定掛鉤機制。根據2021年國家企業技術中心運行評價情況(附件2),確定2022年各地企業技術中心推薦數量:評價為*一檔的省、區、市推薦數量不超過5家;評價為*二檔的省、區、市推薦數量不超過3家;評價為*三檔的省、區、市推薦數量不超過2家。
此外,符合下列三類條件之一的省、區、市(附件3),可增加2個推薦名額(不重復激勵,上限為2個):
1.國際科技創新中心、綜合性國家科學中心、區域科技創新中心所在省、區、市;
2.大力培育發展戰略性新興產業、產業特色優勢明顯、技術創新能力較強的地方(國辦發〔2022〕21號);
3.推動“雙創”政策落地、促進創業帶動就業、加強融通創新、扶持“雙創”支撐平臺、構建“雙創”發展生態、打造“雙創”升級版等方面成效明顯的區域“雙創”示范基地(國辦發〔2022〕21號)。
原則上,增加名額需用于激勵國際科技創新中心、綜合性國家科學中心、區域科技創新中心所在省、區、市和真抓實干成效明顯地方(具體到市、區)。
(三)請各地發展改革委會同同級科技、財政、海關、稅務等部門(或省級政府規定的國家企業技術中心申報、管理部門會同同級發展改革、科技、財政、海關、稅務等部門)行文,將推薦企業的申請材料及評審情況(附件4)報送我委,同時將推薦企業名單抄報科技部、財政部、海關總署、稅務總局。
(四)請于2022年10月11日前,通過國家企業技術中心數據系統(www.datacidd.cn),填報推薦企業申請材料,并將紙質文件(一式一份)報送國家發展改革委。
二、其他事項
(一)國家企業技術中心發生更名或重組的,請填寫國家企業技術中心名稱變更情況表(附件5),并提供相關證明材料,由各地發展改革委(或省級政府規定的國家企業技術中心管理部門)統一來函報送。
(二)后續,我委將持續強化運行績效評價,不斷完善相關工作機制,壓實地方主管責任,不斷提升國家企業技術中心運行水平。
國家發展改革委辦公廳
2022年8月30日











附件:
1.國家企業技術中心評價方法
2.2021年國家企業技術中心運行評價情況
3.符合激勵條件的省、區、市名單
4.認定評審情況報送要求
5.國家企業技術中心名稱變更情況表
——————————————————————————————————————————
想要了解更多詳情,請查看蘇州智為銘略企業管理有限公司網站http://www.hsew.com.cn,智為銘略提供免費高新技術企業申報和企業補貼政策申請評估報告,關注智為銘略獲得更多優惠政策。
智為銘略核心產品與服務:軟件著作權登記、商標注冊、研發費用加計扣除、江蘇省科技成果轉化專項資金、江蘇省新產品新技術鑒定、知識產權貫標、軟件產品登記、軟件企業認定及高新技術企業認定等。
[上一個產品:關于公布2022年省級企業技術中心名單通知【智為銘略轉發】] [下一個產品:2024年度江蘇省科學技術獎綜合評審結果公示【智為銘略轉發】]



